LADDER DIAGRAM

 

NO

NC

UTGANG

TIM. / CNT

FUNKSJON

 

 

 

 

 

 

 

 

 

 

 

 

 

 

 

 

 

 

 

 

 

 

 

 

 

 

 

 

 

 

 

 

 

 

 

 

 

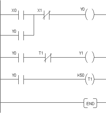
RS-VIPPE.         

 

 

 

 

 

BRUK AV TIDSLEDD.

 

 

 

KONSTRUER TIDSLEDD.

 

 

 

AVSLUTT PROGRAM.

 

 

 

NORMAL FRAMDRIFT VED UTVIKLING AV ET PROGRAM.:

1

Man må bestemme seg for hvilken PLS-maskin som passer til oppgaven, og samtidig gi prosjektet et navn.

2

Tegningen lages, og man bestemmer seg for hvilke innganger og utganger som skal benyttes til de forskjellige funksjonene.

3

Man bør lage dokumentasjonen slik at de enkelte innganger og utganger blir utstyrt med navn som beskriver den funksjonen som disse skal ha. 

4

Programmet kan lages på instruksjonsliste, på funksjonsplan, eller som Laderdiagram. 

5

Når programmet er lagret, kan dette overføres til en PLS- maskin, eller til en EPROM- brikke.