AUTOTRAFOSTARTER

 

 

 

 

 

 

 

Startstrømmen for de svært store motorene skaper vanligvis et problem. For å håndtere dette, er det mulig å bygge et startapparat som baserer seg på at vi reduserer spenninga inn på motoren under startforløpet. 

 

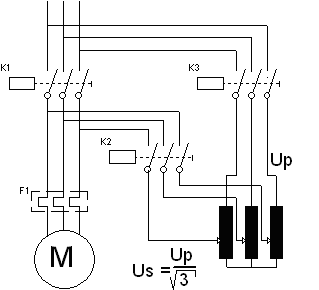
Autotrafoens sekundærspenning er vanligvis redusert med kvadratroten av 3 i forhold til primærspenninga. (Motorens normale spenning.) Dette reduserer startstrømmen tilsvarende.

 

 

 

 

 

 

 

 

 

 

 

Når motoren skal startes, legger man først inn kontaktorene K2 og K3. Motoren får da redusert spenning, og den begynner å gå rundt.

 

Motorens turtall kan overvåkes av en rotasjonsvakt.  Når motoren kommer opp i ca 80 % av fullt turtall, kopler vakta transformatoren ut.

 

Når transformatoren er ute, kan motoren koples direkte mot nettspenninga ved å legge inn kontaktor K1.

 

Når stoppsignalet kommer, koples motoren fra nettet ved at kontaktor K1 legges ut.

 

En motor av denne typen kontrolleres vanligvis av en PLS. Dersom motoren skal startes med belastning, bør den også utrustes med en differensialstarter.