DREIERETNINGSVENDER

 

 

 

 

 

 

 

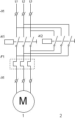
ENERGIDEL

 

 

 

 

 

Dersom kontaktor K1 ligger inne får motoren et faserekkefølge. Dersom kontaktor K2 legges inn får motoren en annen faserekkefølge.

 

Dersom begge kontaktorene legges inn samtidig, vil det på denne tegningen bli etablert en kortsluttning mellom fasene L1 og L2.

 

 

 

 

Der hvor kopling av to kontaktorer kan forårsake en kortsluttning, bør man være klar over at en kontaktor som legges ut bruker ca 10 ganger lengre tid på å kople enn en kontaktor som legges inn. 

 

 

 

 

 

 

 

 

 

 

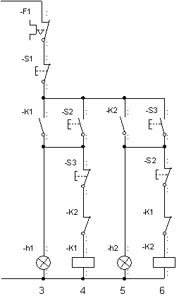
STYRING

 

 

 

 

Styringa for dreieretningsvenderen inneholder en stoppknapp (s1) og et termisk vern (F1) som sikrer stopp i begge retninger.

 

Startknappen for K1, (S2) fungerer samtidig som stoppknapp for kontaktor K2.

 

Startknappen for K2, (S3) fungerer samtidig som stoppknapp for kontaktor K1.

 

NC- kontaktene fra kontaktor K1 og K2 har til oppgave å hindre at det oppstår en kortvarig kortsluttning dersom motoren endrer dreieretning. En slik kortsluttning vil sjeldent forårsake at sikringene rekker å kople ut, men dette kortvarige bortfallet av spenning vil kunne forårsake feil i elektroniske kretser, og gnistdannelser som vil redusere kontaktorenes levetid.