ENERGIDEL

 

 

 

 

 

 

 

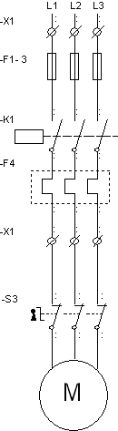
Sikringene F1-3 dimensjoneres vanligvis som kortslutningsvern for det elektriske anlegget rundt motoren. Disse kan plasseres i selve tavlefeltet, eller i et eget fordelingskap. For enkelte termiske vern er det oppgitt en grense for hvor store disse sikringene kan være.

 

 

Kontaktoren benyttes som vern mot ukontrollerte oppstart.

 

 

Det termiske vernet fungerer som overbelastningsvern for motoren. Dette må stilles inn minst på den strømmen som motoren trekker ved full last. Innstillingen av dette vernet er bestemmende for dimensjoneringen av det elektriske anlegget rundt motoren.

 

Rekkeklemmene kan være et nyttig verktøy når man skal feilsøke i anlegget.

 

 

 

Sikkerhetsbryteren (S3) skal kunne kople ut selve motoren uavhengig av automatikken når det foregår servicearbeider på motoren eller på maskinen. Slike brytere skal kunne låses med egen hengelås. 

 

 

 

Motorutgangen koples med ledninger og komponenter som er dimensjonert for den strømmen som motoren vil trekke når den går med full last. Motoren koples ut og inn ved hjelp av kontaktoren.