DIREKTE START

 

 

 

 

 

 

 

 

 

 

 

 

 

 

 

 

 

 

 

 

1

 

2

 

 

 

3

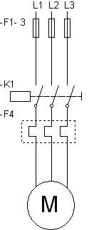
Det startapparatet som bygges rundt en motor har vanligvis til hensikt å skulle dempe det strømstøtet som nødvendigvis må komme når motoren starter. Videre må startapparatet også kunne håndtere den energien som lasta trenger for å komme i bevegelse.

 

Når motoren koples direkte inn gjennom en enkel kontaktor får vi et maksimalt strømstøt, men også et maksimalt startmoment slik at starttiden blir kortest mulig. Dette startapparatet anbefales motorer opp til ca. 25 KW. 

 

Sikringene har til oppgave å verne anlegget mot kortsluttning.

 

Det termiske vernet skal verne ledningsanlegget og motoren mot overbelastning. Dersom dette stilles nøyaktig inn, vil det også kunne verne motoren og maskinen mot mekaniske feil.

 

Ledningsanlegget dimensjoneres etter innstillingen på det termiske vernet.

 

 

 

 

 

 

 

 

 

 

 

 

 

STYRING MED NULLSPENNINGSUTLØSNING

 

Nullspenningsutløsning brukes der hvor ukontrollert start av motoren kan medføre fare. (f.eks. ved dreiebenker, sageblad, etc.)

 

Ved PLS-kontrollerte anlegg bør man opprettholde sikkerheten ved å kople S1 som en NC kontakt, og holdekontakten på kontaktoren (13 og 14) til inngangene på PLS-maskinen.

 

Eventuelle Nødstoppbryter og andre viktige vern skal bryte strømveien til kontaktoren direkte, og ikke programmeres på PLS.

 

 

 

 

 

 

 

 

 

 

 

 

 

 

AUTOMATISK GJENNOPPSTART.

 

I enkelte tilfeller krever forskriftene at motorer starter opp automatisk dersom f.eks. strømmen har vært borte en kort stund. Dette kan medføre fare, og personsikkerheten må taes vare på ved bruk av skilt: