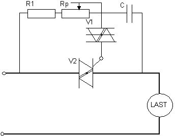
TENNKRETS MED DIAC

 

 

 

 

 

 

 

En DIAC er en komponent som brukes til å styre en TRIAC. Diacen virker slik at den sperrer helt til spenningen over den har nådd en bestemt verdi. ( for eksempel 36 V. ) Når denne spenningen er overskredet åpner komponenten helt, og slipper gjennom strøm.

 

Diacen er en vekselstrømskomponent som virker begge veger.

 

Det er mulig å kjøpe en komponentpakke som inneholder både TRIAC og DIAC. En slik komponent kalles for QUADRAC.